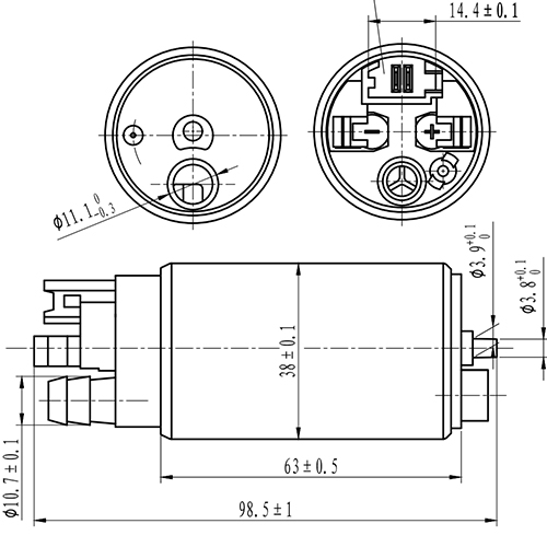
/ / / Топливный насос (вставка)
Z61183R — ZIKMAR — Топливный насос (вставка)
Z61183R — ZIKMAR — Топливный насос (вставка)

Номер запчасти

Z61183R

Название

Топливный насос (вставка)

Производитель

ZIKMAR

Нет в наличии

Примечание

Chevrolet Cruze, Opel Astra J

Номера производителя (OE)

General Motors
0815352, 1232247, 1232374, 13251237, 13321031, 13503672, 13577230, 13577231, 13577238, 13578733, 13586317, 13586319

Модель Двигатель Мощность (л.с.) Объем (см³) Тип кузова Производство