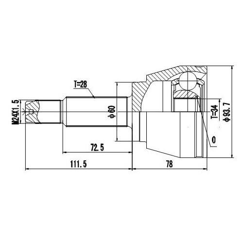
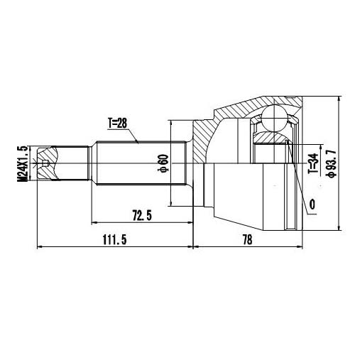
Z87195R — ZIKMAR — Шрус Наружный
Z87195R — ZIKMAR — Шрус Наружный

Номер запчасти

Z87195R

Название

Шрус Наружный

Производитель

ZIKMAR

Нет в наличии

Примечание

SsangYong Rexton II (06--12)

Номера производителя (OE)

SSANGYONG
4130008B02

Модель Двигатель Мощность (л.с.) Объем (см³) Тип кузова Производство